Electronics. Test 4

Electronics. Test 4

/
Which of the 3 alternatives given is correct for a NOT-gate?
Question Image
The powersupply to the harddisk of a personal computer consists normally of two voltages. Which?
Question Image
The picture shows a common used 3,5 inches diskette type for storing data. What is the data storing capacity for such diskette?
Question Image
What do you understand with a computer's POST system?
Question Image
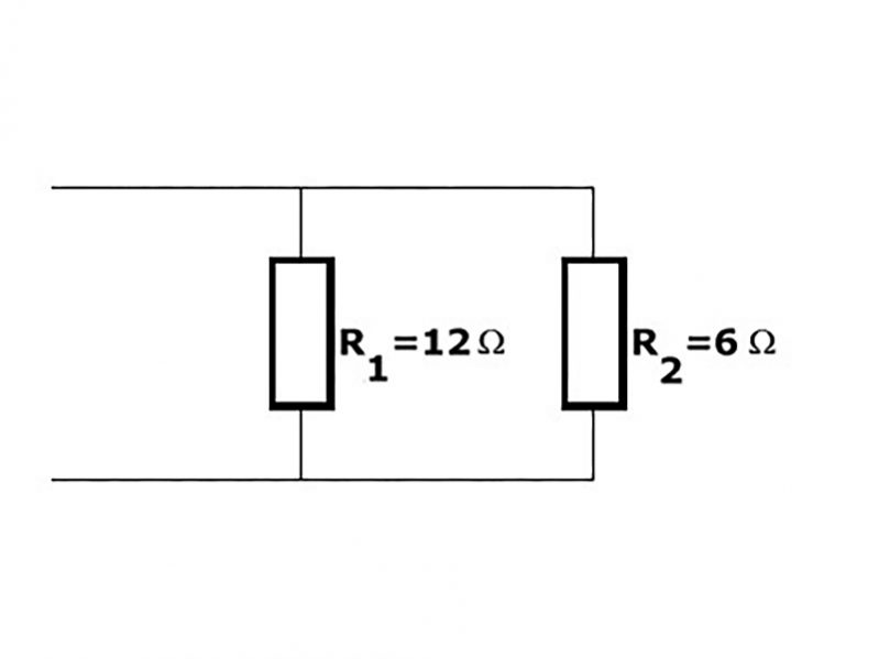
This circuit consists of two resistances, R(1)= 12 ohm and R(2) = 6 ohm, connected in parallel. Calculate the equivalent value R(S) of the two resistances.
Question Image
What is the symbol for a THYRISTOR?
Question Image
This graphical symbol is a logic gate. Which gate?
Question Image
Transmission lines play a central role in radio frequency circuits, where they are used to pipe signals around from one place to another within a circuit, and often to an antenna system. General rules for such transmission line is that they must be 'matched'. Which of the cables below would you use to obtain a matched transmission between Z1 and Z2?
Question Image
Which function is this operational amplifier circuit performing?
Question Image
This circuit consists of two capacitors, C(1) = 6
Question Image
Check Answers
Review Answers
Ads Blocker Image Powered by Code Help Pro

Ads Blocker Detected :(

We have detected that you are using extensions to block ads. Please support us by disabling these ads blocker.
Powered By
100% Free SEO Tools - Tool Kits PRO