Electronics. Test 1

Electronics. Test 1

/
Which electronic component is this graphical symbol illustrating:
Question Image
Which electronic component is this graphical symbol illustrating:
Question Image
A 8-Volt relay is to be used with a 12-Volt power supply. The relay requires a current of 0.1 Amp. What is the series resistance required.
Question Image
Which electronic component or system of components is this graphical symbol illustrating:
Question Image
This resistor has the value of 68 k ohm. Which color code will you put on the different color-rings:
Question Image
Which electronic component is this graphical symbol illustrating:
Question Image
Which electronic component is this graphical symbol illustrating:
Question Image
Which electronic component is this graphical symbol illustrating:
Question Image
What is the resistance value of this resistor:
Question Image
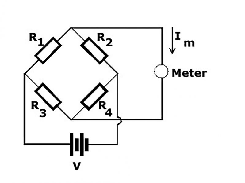
Wheatstone resistance bridge is often used for measuring resistances in for instance Pt 100 temperature sensors or strain gauges. This figure is such a bridge. What is the requirement for balance of such a bridge. i.e. the current through the meter i(m) = 0.
Question Image
Check Answers
Review Answers
Ads Blocker Image Powered by Code Help Pro

Ads Blocker Detected :(

We have detected that you are using extensions to block ads. Please support us by disabling these ads blocker.
Powered By
Best Wordpress Adblock Detecting Plugin | CHP Adblock